LDD High Power Diode Laser Driver Series

Need customization? No problem!
Use the quote button above to send us your requirements.
The LDD series is a new family of OEM laser diode drivers designed for the emerging high power laser diode industry. The LDD series is ideal for high power applications where economy is important and performance cannot be compromised. Compact size is possible due to the low-loss Zero Voltage Switching inverter and incorporation of planar magnetics. The LDD is virtually wire free.
Power factor is greater than 0.99 and conducted emissions meet stringent European regulations. No additional line filters required to meet EN 55011 emission requirements. The LDD family has been designed with the knowledge that a high power laser diode is an expensive device. Rise and fall times are strictly controlled to reduce high voltage transients which could damage the laser diode.
LDD Features
- Ideal for OEM applications
- Safe turn-on/turn-off
- Compact design
- Power factor correction
- Auxiliary +15V/-15V/+5V
- Low conducted emissions
- Low leakage
- ROHS Compliant
- Output current up to 300A
- Maximum output voltage to 200V
- Analog or RS232 interface
- Universal input for all world voltages
- CE and safety agency approved
- Available handheld controller
LDD High Power CW Laser Diode Driver Specifications
| Model | Poutmax | Ioutmax | Input Voltage | Size (L x W x H) |
|---|---|---|---|---|
| LDD-50-XX-YY | 50 Watts | 15 amps | 100-240VAC ± 10% | 6.75" x 3.63" x 3.25" / 17.1 x 9.2 x 8.26 cm |
| LDD-100-XX-YY | 100 Watts | 50 amps | 100-240VAC ± 10% | 7.5" x 5.8" x 2.6" / 19 x 14.7 x 6.6 cm |
| LDD-150-XX-YY | 150 Watts | 60 amps | 100-240VAC ± 10% | 7.5" x 5.8" x 2.6" / 19 x 14.7 x 6.6 cm |
| LDD-250-XX-YY | 250 Watts | 80 amps | 100-240VAC ± 10% | 7.5" x 5.8" x 2.6" / 19 x 14.7 x 6.6 cm |
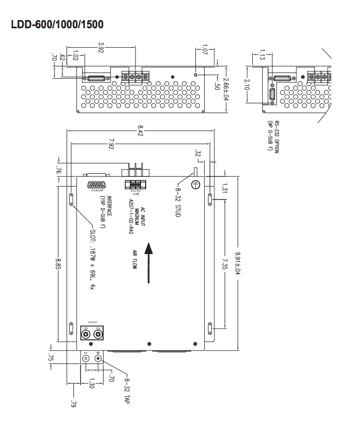
| LDD-600-XX-YY | 600 Watts | 100 amps | 100-240VAC ± 10% | 9.9" x 7.3"x 2.6" / 25.1 x 18.5 x 6.6 cm |
| LDD-1000-XX-YY | 1000 Watts | 100 amps | 100-240VAC ± 10% | 9.9" x 7.3"x 2.6" / 25.1 x 18.5 x 6.6 cm |
| LDD-1500-XX-YY | 1500 Watts | 100 amps | 200-240VAC ± 10% | 9.9" x 7.3"x 2.6" / 25.1 x 18.5 x 6.6 cm |
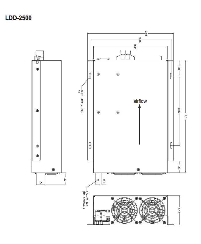
| LDD-2500-XX-YY | 2500 Watts | 150 amps | 200-240VAC ± 10% | 13" x 8.5" x 3.4" / 33.2 x 21.6 x 8.6 cm |
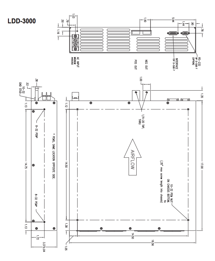
| LDD-3000-XX-YY | 3000 Watts | 200 amps | 200-240VAC ± 10% | 17" x 16.6" x 3.4" / 43.2 x 42.2 x 8.6 cm |
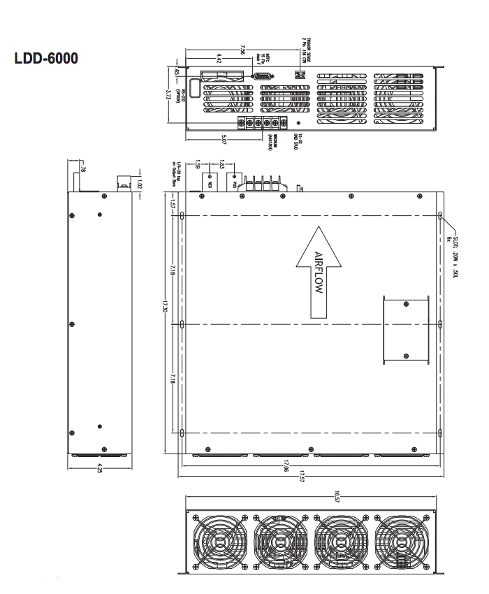
| LDD-6000-XX-YY | 6000 Watts | 250 amps | 200-440VAC ± 10% 3Ø | 17.3" x 16.6" x 4.25" / 43.9 x 42.2 x 10.8 cm |
Maximum compliance voltage for LDD-2500 = 50V.
Input
- Voltage: See table above
- Power Factor: >.98 (LDD-6000:~t80%)
Interface
- Connector: 15 Pin “D” Sub Female
- Current Program: 0-10V for 0-Max Current
- Current Monitor: 0-10V for 0-Max Current
- Voltage Monitor: 0-10V for 0-Max Voltage
- (Optional RS232 interface available)
Performance
- Rise/Fall Time: >10msec standard (faster rise times available)
- Current Regulation: <0.5% of Maximum output current
- Current Ripple: <0.5% of maximum output current
- Current Overshoot: <1% of maximum output current
- Power Limit: Limited to maximum power with power fold-back circuit
Environment
- Operating Temp: 0 to 40°C
- Storage: -20 to 85°C
- Humidity: 0 to 90% non-condensing
- Cooling: Forced air
Regulatory
Auxiliary Outputs
- +5V @ 200mA
- +15V @ 200mA
- -15V @ 200mA
LDD-INTERFACE CONNECTOR TYPE: 15 PIN D-SUB FEMALE
| Pin # | Pin Name | Functional Voltage Level | Description |
|---|---|---|---|
| 1 | Enable (input) (note1) | High = RUN = +5V to +15V Low = OFF = 0V |
The Enable function turns the output section of the power supply ON and OFF. When the power supply is enabled, current is delivered to load as programmed via Iprogram(+), Pin 7. Rise times resulting from Enable are approximately 25msec. |
| 2 | Interlock (Input) | Open = OFF Connect to GND = RUN |
The Interlock function can be connected to external interlock switches such as door or overtempswitches. |
| 4,9,15 | GND | Interface Return | |
| 5 | Vout Monitor (output) | 0-10V = 0-Voutmax (note:2) | The output voltage of the supply can be monitored by Vout Monitor. See note below |
| 6 | Iout Monitor (output) | 0-10V = 0-Ioutmax | The output current of the supply can be monitored by Iout Monitor. |
| 7 | Iprogram (input) | 0-10V = 0-Ioutmax | The power supply output current is set by applying a 0-10V analog signal to Iprogram(+). |
| 8 | Pulse Control (input) (pulsed fuction is also avaiable on LDY series drivers) | TTL High = On TTL Low = Off Default = On (LDD-2500/3000/6000 only) |
The output of the LDD-2500/3000/6000 may be pulsed by applying a TTL signal to Pulse Control, pin 8. The amplitude of the output current pulse is determined by the current level programmed via Pin 7, Iprogram(+). Rise fall times of |
| 10,11 | +5V (output) | Auxiliary 200mA Not available on LDD-50/100/150 | |
| 12 | -15V (output) | Auxiliary 200mA Not available on LDD-50/100/150 | |
| 13,14 | +15V (output) | Auxiliary 200mA Not available on LDD-50 |







